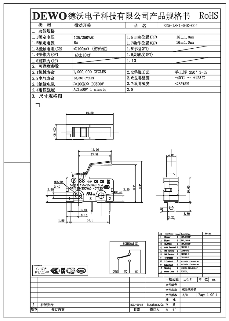
SS5-18N1-040-005
Item: Micro switch
Part Number:SS5-18N1-040-005
Specification:
Rating:
5A 125/250VAC
3A 125/250VAC
0.1A 125/250VAC
Contact Resistance:≤100m? Max
Insulation Strength:≥100m? DC500V
Temperature: 40T125
Test Voltage: AC1500V 1 minute
Operating Force:0.29N-2.98N
Free position:20.1mm±2.0mm
Operating position:14.25mm±2.0mm
Terminal type: Solder terminal/Straight PCB terminal/110 quick connect terminal/ left side PCB terminal/ right side PCB terminal
Soldering Temperature:350℃ 3-5S
Ambient Temper.Used: -40℃~+125℃
Electronical life: 5E4
Mechanical life:1,000,000 cycles
Function: SPDT/SPST-NO/SPST/NC
Application:
new energy vehicles, home appliances, electronic communication
equipment, DR equipment, industrial equipment, etc.
Certification:
UL, CQC, ENEC,IATF, KC and SO ON

Hot Product
DEWODewo electronic technology
Sales manager: Yuki Zhang
Phone: +86 15322821087
FAX: 0769-81732225
Email: globalsales@dgdewo.com
Address: No. 23, Minghua Road, the third industrial zone, Juzhou, Shijie town, Dongguan city, Guangdong province,China
Post Code:523290







